Respitose® ML001

粉砕乳糖

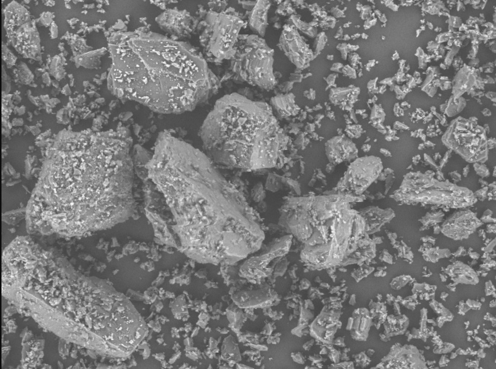
一定量の微粒子を含む 

凝集流動性

Inhalation
Respitose ML001 (2) (1)

製品情報

粉砕された吸入乳糖は、不規則な形状の粒子と凝集流動性を持つ、安定性の高い結晶性乳糖です。乳糖は機械的に粉砕され、様々な粒子径になります。これにより、製薬会社は製剤設計のニーズに合った最適なグレードを選択することができます。 

製造工程における厳格で一貫した粒子径管理、および最新の粒子径測定技術が、弊社の吸入用篩過グレードの成功の基盤となっています。Lactohale®Respitose®は、DFEファーマの吸入用乳糖の粉砕グレードのブランドとなっています。 

製品の種類
粉砕乳糖
添加剤の機能性
キャリア
剤形
吸入

Typical product data

粒度分布(μm)

x10
5
x50
50
x90
150

嵩密度(g/mL)

嵩密度(g/mL)
0.63

タップ密度 (g/mL)

タップ密度 (g/mL)
0.88

Carrの流動性指数(-)

Carrの流動性指数(-)
> 25

ドキュメンテーション